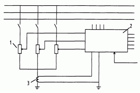
在線電纜開關柜 CTPT 測試
2024-08-14
電流互感器和電壓互感器是電力系統中的關鍵部件,它們的作用是將大電流或高電壓轉換成較小的電流或電壓,以便于測量和保護設備使用。隨著時間的推移,這些互感器可能會由于老化、污染或其他因素而性能下降,因此定期對其進行測試至關重要。
互感器局部放電測試儀的工作原理基于對局部放電產生的信號進行檢測和分析。當在測試電壓下產生局部放電時,測試儀通過系統耦合電容檢測到高頻脈沖電流。這些脈沖電流信號被送入測試儀的輸入數據單元進行處理。具體過程如下:
hpdv1000手持式局放儀:工作原理、使用方法及應用
2024-08-12
開機準備:確保儀器已充分充電并處于良好狀態。 信號檢查:檢查傳感器是否正常工作,確保耳機內發出輕微、均勻的電噪聲,測試界面上曲線繪制區域顯示中心線對準0dB,平均值低10dB。 掃描檢測
水槽:用于放置絕緣靴或手套,水槽內部充滿水或導電液體,以模擬真實的工作環境。 控制系統:包括升壓裝置、電流測量裝置以及相應的控制面板或界面,用于設置和監控試驗過程。 安全系統:包括過載保護、漏電保護等功能,確保試驗過程中的人身安全。 主要功能與特點
局部放電(Partial Discharge, PD)是高壓電氣設備中常見的現象,它可能是絕緣系統中早期故障的跡象。便攜式局放檢測儀因其便攜性和靈活性,在電力系統的維護和故障預防中發揮著重要作用。本文將介紹便攜式局放檢測儀的主要功能、工作原理以及使用方法。
bose on ear 局放在線測試儀:電力設備維護中的實時監控利器
2024-08-05
局放在線測試儀的工作原理基于局部放電產生的各種物理效應,包括但不限于電磁輻射、聲波和熱能等。這些效應可以通過不同的傳感器捕捉到,常見的傳感器類型包括:
達瑞電氣為您推薦 全自動互感器綜合測試儀是集CT伏安特性試驗(其中包含計算CT的10%和5%誤差曲線的功能)、CT變比極性試驗、二次負載試驗、PT伏安特性試驗(其中包含計算PT空載損耗的功能)、PT變比極性試驗、1000A通流試驗于一體的多功能智能化儀器。該儀器對試驗數據自動采集、分析、存儲和打印。顯示器采用大屏幕液晶屏,可實時顯示試驗曲線,即時觀測試驗情況,以便試驗人員及時判斷試品故障...
氧化鋅避雷器日常使用常見故障與防范措施 氧化鋅避雷器被廣泛應用在10KV以下的電壓等級電網中,主要是為了防止雷電波對變電站電氣設備造成損壞的一種常用防雷裝置。其不僅具有優秀的非線性伏安特性,而且造價低、無間隙、無續流、通流能力大、性能穩定。但是也時有發生擊穿和爆炸等事故。 常見故障主要是由于以...
微機繼保功率繼電器校驗 (1)功率方向繼電器動作區和靈敏角的測量 在“遞變試驗”軟件模塊中,設定Uab、Ia為額定值,設置Uab相角步長,加減電壓相位角,測出動作區兩邊邊界角φ1、φ2,則靈敏角φLM=1/2(φ1+φ2)。 (2)動作功率的測量 ...
什么是小電流接地系統?什么又是大電流接地系統? 中性點不接地或經消弧線圈接地的系統,當發生單相接地故障時,由于不能構成短路回路,接地電流往往比負荷電流小得多,所以這種系統稱為是小電流接地系統(中性點非有效接地系統)。一般66kv及以下系統常采用這種系統。 中性點不接地系統發生單相接地故障時,由于不夠成回路,所以...
安全工器具檢測設備
變頻串聯諧振試驗裝置現場試驗操作規程 1、試驗人員在開箱時,依據裝箱清單對設備進行清查,如發現設備與裝箱清單不符,請立即與本公司聯系. 2、本試驗設備應由高壓試驗專業人員使用,使用前應仔細閱讀使用說明書,并經反復操作訓練。 3、試驗人員應不少于2人。使用時應嚴格遵守貴單位有關高壓試驗的安全作業規程 4、為了保證試驗的安全正確,除必須熟悉本產品說明書外,還必須嚴格按國家有關標準和規程進行試驗操作。 ...
現場試驗操作規程的變頻串聯諧振試驗裝置 1、試驗人員在開箱時,依據裝箱清單對設備進行清查,如發現設備與裝箱清單不符,請立即與本公司聯系. 2、本試驗設備應由高壓試驗專業人員使用,使用前應仔細閱讀使用說明書,并經反復操作訓練。 3、試驗人員應不少于2人。使用時應嚴格遵守貴單位有關高壓試驗的安全作業規程  ...
接地電阻的測量方法及使用范圍 接地電阻測量方法通常有以下幾種:兩線法、三線法、四線法、單鉗法和雙鉗法。每種方法各有各的特點,實際測量時,應選擇正確的方式,才能使測量結果準確無誤。 1.兩線法 條件:必須有已知接地良好的地,如PEN等,所測量的結果是被測地和已知地的電阻和。如果已知地遠小于被測地的電阻,測量結果可以作為被測地的結果。 適用于:樓群稠密或水泥地等密封無法打地樁的...
變壓器線圈直流電阻測量及其結果分析 1 直流電阻測量 1.1 測量方法 測量直流電阻是變壓器試驗中的一個重要項目。通過測量,可以檢查出設備的導電回路有無接觸不良、焊接不良、線圈故障及接線錯誤等缺陷。在中、小型變壓器的實際測量中,大多采用直流電橋法,當被試線圈的電阻值在1歐以上的一般用單臂電橋測量,1歐以下...
電容分壓器放電試驗的抗干擾措施 電容分壓器因其具備良好的承受電壓能力,而被廣泛的運用在高壓耐壓試驗測量設備中。電容分壓器是利用電容分壓原理來提供一個較低電壓的裝置,它是由瓷外殼內裝有多個相串聯的電容器元件組成,其中設有中壓抽頭。電容分壓器運行的可靠性在很大程度上取決于其絕緣的可靠性,局部放電試驗是檢測電容分壓器絕緣可靠與否的重要手段。通過對局部放電產生危害的分析及局部放電檢測試驗回路。針對局部放電...
雷雨季節如何采取正確的防雷避雷措施 尋找安全的避雨地點很重要 如在戶外遇到雷雨天氣時,我們應該快速找到有避雷針或裝有金屬門窗的建筑物進行躲避,或是躲在一輛金屬車身的汽車內也可以。因為一旦這些建筑物或汽車被雷擊中,它們的金屬構架或避雷裝置或金屬本身會將閃電電流導入大地。如果是處在渺無人煙的山區地帶...
有載分接開關的故障分析和檢修 有載分接開關是在變壓器勵磁狀態下帶負載變換分接位置,達到調整不同電壓的目的,保證電流的連續性而又不能在變換分接過程中短路的開關設備。氯堿電解化工一般采取的調壓方式為有載分接開關粗調加晶閘管細調,其目的是提高裝置的自然功率因數和整流變壓器利用率,避免整流電源中晶閘管深控而引起波形畸變嚴重,功率因數變壞,諧波電流增大。 1.有載分接開關的故障分析和檢修 &nb...
電纜故障測試方法和技巧 1.電力電纜故障產生的原因 (1)絕緣層老化變質:絕緣電纜長期在風吹日曬,在電的的作用下發生了老化,還要受到伴隨電作用而來的化學、熱和機械作用,從而使介質發生物理化學變化,使介質的絕緣性能下降。 (2)過熱:電纜絕緣內部氣隙游離造成局部過熱,使絕緣炭化。另外,電纜過負荷產生過...
直流高壓發生器在電力電纜試驗中的作用 直流高壓發生器引起具有輸出電壓為120KV、輸出電流為5mA、工作頻率為40kHz等特點而被廣泛應用在在電力試驗中——用于電力電纜檢測試驗和避雷器等泄漏電流試驗。 直流高壓發生器電力電纜的試驗 一、測量絕緣電阻 &n...